manuals.support
[English] [Français] [Español] [Deutsch] [Italiano] [Português]
Suche Bedienungsanleitung, Anweisungen Buch, Benutzerhandbuch, Treiber, Schaltpläne, Ersatzteile

MARKE + MODELL   + & Download PDF
 
A - B - C - D - E - F - G - H - I - J - K - L - M - N - O - P - Q - R - S - T - U - V - W - X - Y - Z

Download
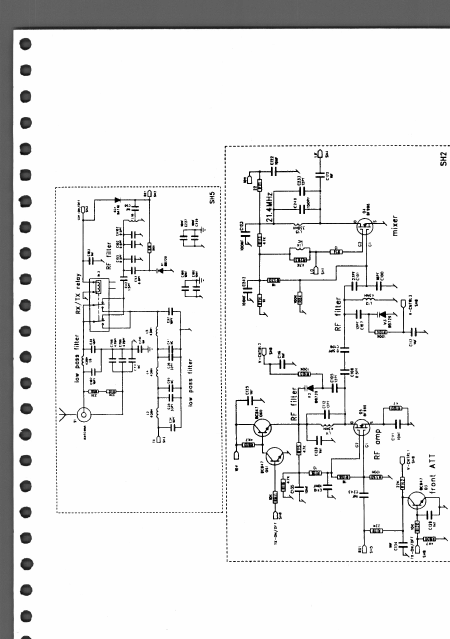
SIMRAD Shipmate RS 8300 (RS8300)
Schaltpläne Englisch (19 Seiten)
39.90 EUR

SIMRAD Shipmate RS 8300 (RS8300) Schaltpläne Englisch

Sie können ganz einfach das obige Handbuch herunterladen, das wichtige Informationen für Ihr Gerät enthält.
Das elektronische PDF-Format kann auf jedem Gerät gelesen werden.


 

Ihre E-Mail
   
Diese E-Mail muss gültig sein.




Die Handbücher zur Verfügung gestellt von supermanuals.com sind digitale Dokumente im PDF-Format. Das Handbuch macht es einfacher, das Gerät zu verwenden. Die Montageanleitung ist erforderlich, wenn für die Inbetriebnahme zu empfangen. Das Service-Handbuch beschreibt die Reparaturverfahren . Die Stückliste wird verwendet, um Komponenten zu zerlegen. Interne Systeme ermöglichen, um die Reparaturen zu machen. 

$imagename $imagename $imagename $imagename $imagename $imagename
Download PDF Download PDF Download PDF Download PDF Download PDF Download PDF
 
Die von supermanuals.com zur Verfügung gestellten Handbücher erlauben die Installation, Verwendung und Reparatur mit Anleitungen, Schaltplänen, Stücklisten für den Benutzer und den Techniker.
 
supermanuals.com - Privacy Policy - About & Contact form © Assistance Network 2004 - 2023
[English] [Français] [Español] [Deutsch] [Italiano] [Português]